首页
产品方案
核心量子材料
电子级高纯金刚石
单NV色心量子金刚石
高密度NV色心量子金刚石
超高密度NV色心量子金刚石
表层NV色心量子金刚石
NV色心纳米金刚石
NV色心金刚石压砧
SiV色心量子金刚石
黑磷
量子精密仪器
技术与创新
探索晶创元
加入我们
联系我们
SiV Diamond
SiV色心量子金刚石
首页
/
产品列表
/
SiV色心量子金刚石
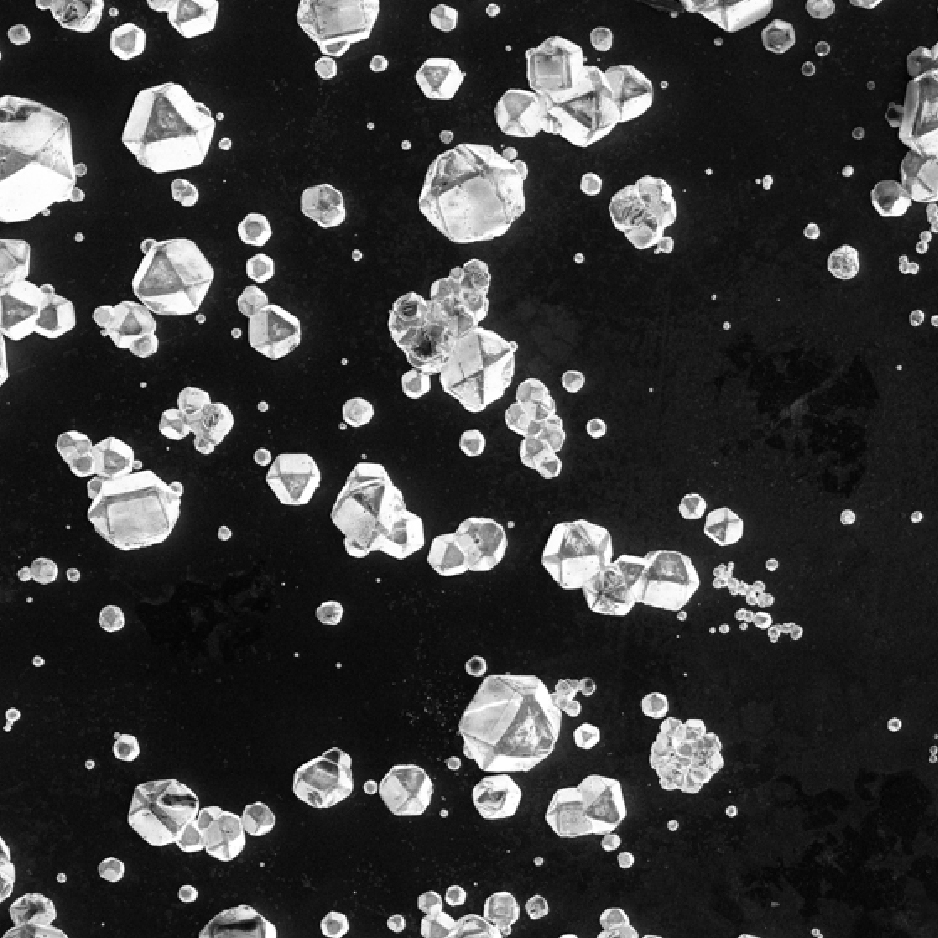
SiV色心量子金刚石
产品介绍
SiV色心即硅-空位色心,它是一种由金刚石晶格中的一个硅原子和一个双空位组成的原子缺陷。具备优异的量子性能和热学性能。
性能优势
光谱稳定性极高
发射线宽极窄
辐射速率更快
荧光稳定性
无光漂白
低荧光
超高硬度
立即下载
应用场景
高性能量子光源
集成量子光子学
量子网络节点
量子传感
本网站会在您的计算机上存储Cookies。这些Cookies用于收集您如何与我们的网站互动的信息,并帮助我们记住您。我们使用这些信息来改进您的浏览体验,同时用于数据分析,以了解我们在本网站和其他平台上访问情况。要了解更多关于我们使用的Cookies,请参阅我们的
隐私政策
。
拒绝
接受所有
姓名
电话
邮箱
单位
留言
点击提交
文件下载
微信中无法直接下载,请点击文件名或复制链接后在浏览器中打开
复制链接
关闭
已复制到剪贴板